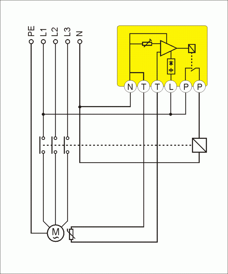
| Rodzaj pracy: | praca ciągła (C) |
| Poziom zakłóceń: | normalny (N) |
| Próg wyłączenia: | 3,3 kΩ |
| Próg powrotu: | 1,8 kΩ |
| Napięcie pomiarowe (przy R=4kΩ/R=X): | 2V DC/ 24V DC |
| Zestyk wyjściowy: | 1Z - zwierny |
| Obciążalność prądowa zestyku (przy cosφ=1): | 2A |
| Napięcie znamionowe zestyku: | 250V AC |
| Stopień ochrony: | IP 20 |
| Obudowa: | typ S2, 89x34x60 mm (2 moduły) |
| Przyłącz: | zaciski śrubowe (do 4 mm2) |
| Masa urządzenia: | 180g |
| Sposób montażu: | na szynie TH35 |
| Znamionowe napięcie pracy: | |
| PT 400s | 230V AC, ± 10%, 50Hz |




