| Operation mode: | continuous (C) |
| Noise level: | normal (N) |
| Contact rated current: | 8A |
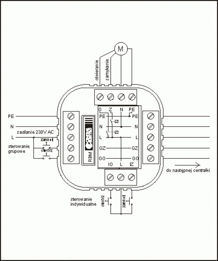
| Protection class: | IP 20 |
| Housing dimentions: | type T, 63x63x23 mm |
| Connections: | screw terminals |
| Manner of mounting: | in installation box ϕ80 mm |
| Rated supply voltage/frequency: | |
| RBM 01 | 230V AC, +10%, -15%, 50Hz |



